Air Conditioner and Heater Plumbing for 2002 Jeep Grand Cherokee
No.
Part # / Description / Price
Price
N/A
Double Ended Stud, Mounting
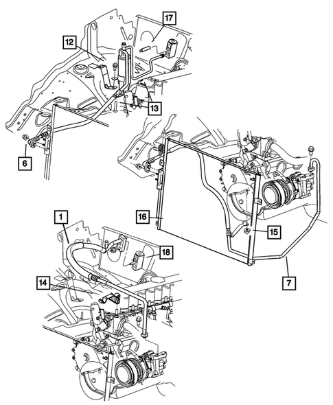
Mopar
Mopar Description: M8X1.25X39.5/M8X1.25X12.5X52.00. Exhaust Manifold To Cylinder Head
N/A
MSRP $12.70
$9.01
7
Hex Nut-coned Washer Nut And Washer
Mopar
Mopar Description: M8 x 1.25. Liquid Line/Filter Drier to Shock Tower Mounting
MSRP $11.30
$8.17
MSRP $11.30
$8.17
14
Hex Head Bolt, Mounting
Mopar
Mopar Description: M6x1.00x20.00. Heat Sheild To Engine Mount Bracket [M6x1.00x11.00]
MSRP $9.30
$6.72
MSRP $9.30
$6.72
21
MSRP $10.10
$7.26
22
MSRP $31.95
$22.99
No.
Part # / Description / Price
Price
N/A
MSRP $31.95
$22.99
N/A
MSRP $10.10
$7.26
6
Hex Nut-coned Washer Nut And Washer
Mopar
Mopar Description: M8 x 1.25. Liquid Line/Filter Drier to Shock Tower Mounting
MSRP $11.30
$8.17
MSRP $11.30
$8.17
12
Hex Head Screw
Mopar
Mopar Notes: Transmissions: 5-SPD AUTOMATIC 545RFE TRANSMISSION.
Description: M6x1x20. [.250-14X.750]. A/C OR HEATER UNIT BRKT TO COWL PLENUM
MSRP $5.50
$3.87
MSRP $5.50
$3.87
17
Double Ended Stud, Mounting
Mopar
Mopar Description: M8X1.25X39.5/M8X1.25X12.5X52.00. Exhaust Manifold To Cylinder Head
No.
Part # / Description / Price
Price
No.
Part # / Description / Price
Price




